| Sign In | Join Free | My lightneasy.org |
|
Brand Name : Kingpo
Model Number : 7006-46A-3
Certification : iso9001 ce
Place of Origin : china
MOQ : 1
Price : To be quoted
Payment Terms : T/T
Supply Ability : 1000 pcs per month
Delivery Time : 7 working days
Packaging Details : safety carton pack or plywood box
Material : Hardness Steel
Standard : IEC60061-3
HRC : C58 to C60
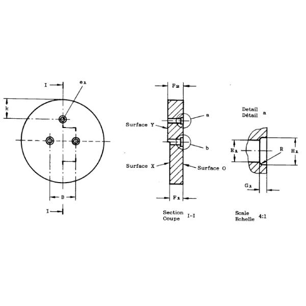
G5 Lamp Cap Gauge | "GO" Gauge For Bi-Pin Cap On Finished Lamps G13-7006-46A-3
Purpose: Purpose: to check dimensions E max.,F min.,F max.,and the combined pin diameter and displacement of pins (including bosses) of bi-pin caps G5 on finished lamps.
Testing: the pins of the caps on finished lamps shall enter the gauge at surface O and, when fully inserted, the surfaces of cap and gauge shall contact. In this position the end of the pins shall be co-planar with or project beyond surface X, but shall not project beyond surface Y. Each individual pin shall enter hole e1 at surface O until the face of the cap and the surface of the gauge contact.

Related gauge:
| "GO" GAUGE FOR BI-PIN CAP ON FINISHED LAMPS G13, 7006-46-3 |
|
|
G5 Lamp Cap Gauge For Bi-Pin Cap On Finished Lamps G13-7006-46A-3 Images |